nano-24/CF






nano-24/CF基本信息
型号: nano-24/CF
纳米超声传感器
nano-24/CF基本属性
净重:0.015 KG
nano-24/CF订单名称
- 测量范围:
- 40 - 350 mm
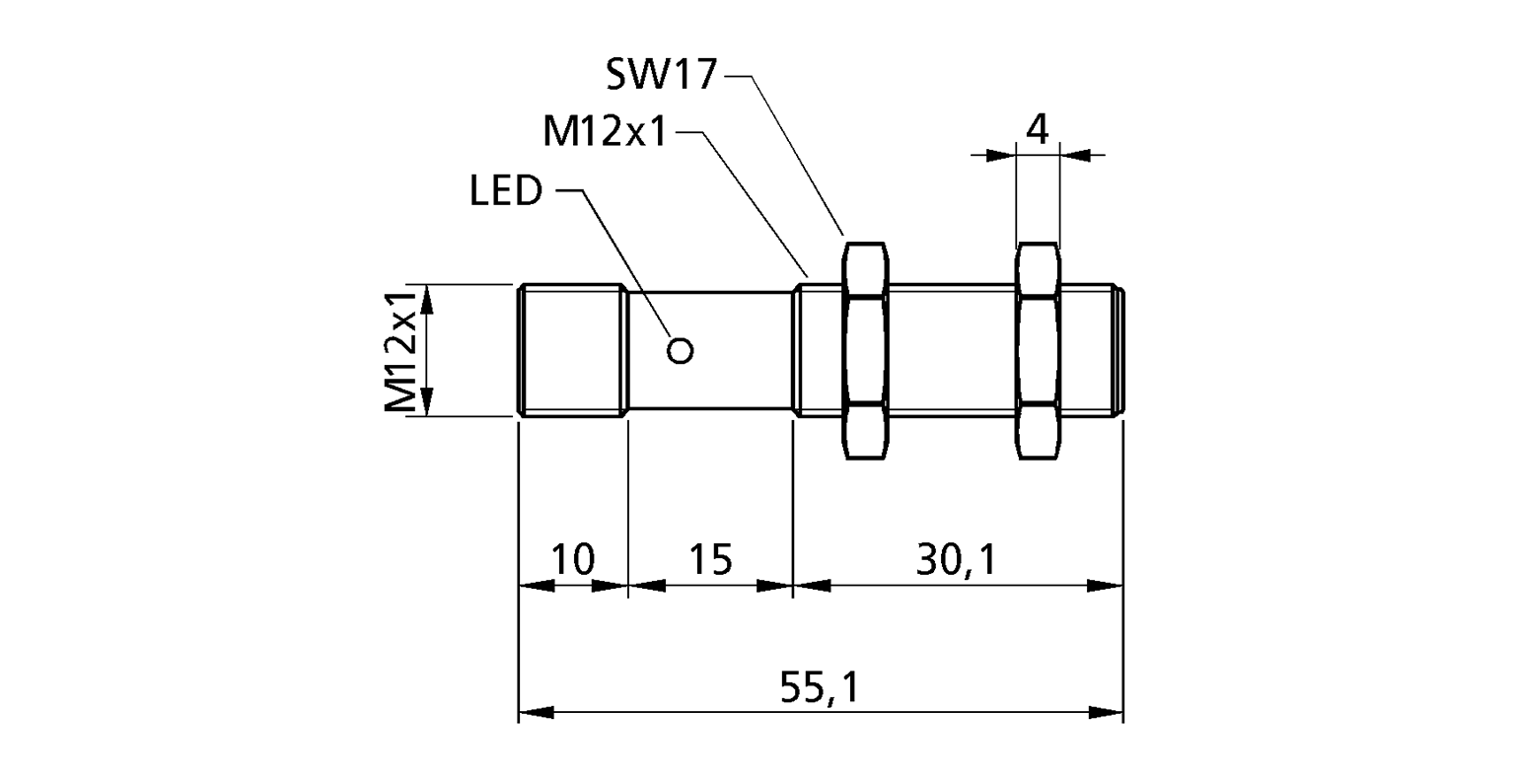
- 设计:
- zylindrisch M12
- 操作模式/基本功能:
- IO-Link
- Näherungsschalter/Reflexionstaster
- Reflexionsschranke
- Fensterbetrieb
- 特殊功能:
- schlankes Schallfeld
- IO-Link Version 1.1
- Smart Sensor Profile
- UL Listed
nano-24/CF超声波专用
- 测量方法:
- Echo-Laufzeitmessung
- 超声波频率:
- 500 kHz
- 失明:
- 40 mm
- 工作范围:
- 240 mm
- 限制触摸范围:
- 350 mm
- 决议:
- 0,10 mm
- 重复精度:
- ± 0,15 %
- 精确:
- ± 1 % (Temperaturdrift intern kompensiert)
nano-24/CF电气数据
- 工作电压UB:
- 10 V bis 30 V DC, verpolfest
- 余纹波:
- ± 10 %
- 空闲电流消耗:
- ≤ 40 mA
- 连接类型:
- 4-poliger M12-Rundsteckverbinder
nano-24/CF输出
- 输出1:
- Schaltausgang
- Push-Pull, UB-3 V, -UB+3 V,Imax = 100 mA
- Schließer/Öffner einstellbar, kurzschlussfest
- 开关迟滞:
- 3 mm
- 开关频率:
- 20 Hz
- 响应延迟:
- 40 ms
- 待机延迟:
- < 300 ms
nano-24/CF输入
- 输入1:
- Com-Eingang
- Synchronisations-Eingang
- Teach-in-Eingang
nano-24/CF数字形式
- 品名:
- nano-24/CF
- 产品ID:
- 34021
- SIO模式支持:
- ja
- COM模式:
- COM2 (38,4 kBaud)
- 最小循环时间:
- 10 ms
- 过程数据格式:
- 4 Byte
- 过程数据内容:
- Bit 0: Ausgangszustand Pin 4; Bit 8-15: Skala (Int. 8); Bit 16-31: Messwert (Int. 16)
- ISDU参数:
- Identifikation, Messkonfiguration, Schaltausgang, Filter, Temperaturkompensierung, Bedienung
- 系统命令:
- SP1 Teach-in, SP2 Teach-in, Werkseinstellungen
- 智能传感器配置文件:
- Ja
- IODD版本:
- IODD Version 1.1.2
nano-24/CF住房
- 布料:
- Messingrohr vernickelt, Kunststoffteile: PBT
- 超音波转换器:
- Polyurethanschaum, Epoxidharz mit Glasanteilen
- 防护等级符合EN 60529:
- IP 67
- 工作温度:
- -25°C bis +70°C
- 储存温度:
- -40°C bis +85°C
- 重量:
- 15 g
nano-24/CF设备/特点
- 温度补偿:
- ja
- 设置:
- Teach-in über Com-Eingang an Pin 2
- LCA-2 mit LinkControl
- IO-Link
- 同步:
- ja
- 多路复用操作:
- ja
- 显示元素:
- LED grün, LED gelb
- 特殊功能:
- schlankes Schallfeld
- IO-Link Version 1.1
- Smart Sensor Profile
- UL Listed
nano-24/CF配件
- 可用配件:
- KST4A-2/M12
- KST4A-5/M12
- KST4G-2/M12
- KST4G-5/M12
- LCA-2
- LCA-2 Koffer













