RV12A-01-C-N-05 3047039

RV12A-01-C-N-05 3047039基本信息
型号: RV12A-01-C-N-05
订货号: 3047039
参考面价: 84.20 EUR
RV12A-01-C-N-05 3047039基本属性
净重:0.200 KG
毛重:0.200 KG
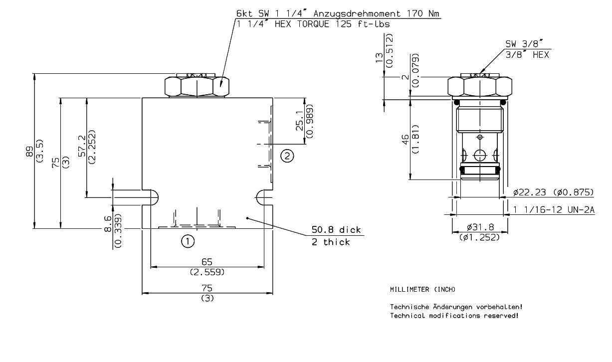
RV12A-01-C-N-05 3047039技术数据
- 作用:
- Rückschlagventil
- 调整类型:
- nicht verfügbar
- 安装空间:
- FC12-2
- Qmax阀门【l/min】:
- 120
- 产品系列:
- RV12A
- 开启压力[bar]:
- 0,35
- 体积流量。产量[l/min]:
- 0 - 120
- 标称尺寸:
- 12
- 对象名称:
- RV12A-01-C-N-05
- Pmax[巴]:
- 350
- 税款类型:
- direktgesteuert
- 安装类型:
- UNF
- 密封材料:
- NBR
- 材料编号:
- 3047039
- 类型:
- Einschraubventil











