ZSM2300 099716







ZSM2300 099716基本信息
型号: ZSM2300
订货号: 099716
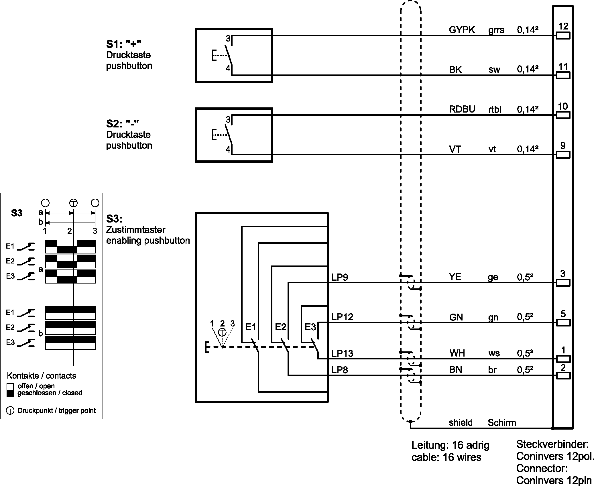
ZSM,按钮92und-连接器RC12
- 三步函数
- 键¦和-
- 连接器
- 连接电缆平直,5米
- 连接器
ZSM2300 099716基本属性
净重:1.311 KG
ZSM2300 099716电气连接值
- 连接电缆:
- 8x0,5mm² + 8x0,14mm²
- 有条件设计短路电流:
- 100 A
- 设计绝缘电压Ui:
- 50 V
- 设计抗震Uimp:
- 0.5 kV
- 使用类别:
- DC-13:
- 24V 0,3A
- DC-13:
- 30V 0,1A
- 短路保护符合IEC 60269-1:
- 2A gG
- 切换行为:
- 3 stufiger Zustimmtaster
- 污染程度(外部,根据EN 60947-1):
- 3
ZSM2300 099716机械值和环境
- 连接类型:
- Steckverbinder Polzahl 12
- 更换器数量:
- 3
- 线路长度:
- 只是:
- 5 m
- 机械使用寿命:
- 1 x 10⁶
- 切换原理:
- Sprungschalter
- 保护类型:
- IP54
- 环境温度:
- -5 ... +60 °C
- 布料:
- PA, CR, TPE
ZSM2300 099716根据EN ISO 13849-1至EN IEC 62061的特性
- :
- Zustimmtaster
- B10D:
- 0.1 x 10⁶
ZSM2300 099716混杂的
- 符合标准:
- 60947-5-8


