OBS 60 M 30 G3-T3 207826




OBS 60 M 30 G3-T3 207826基本信息
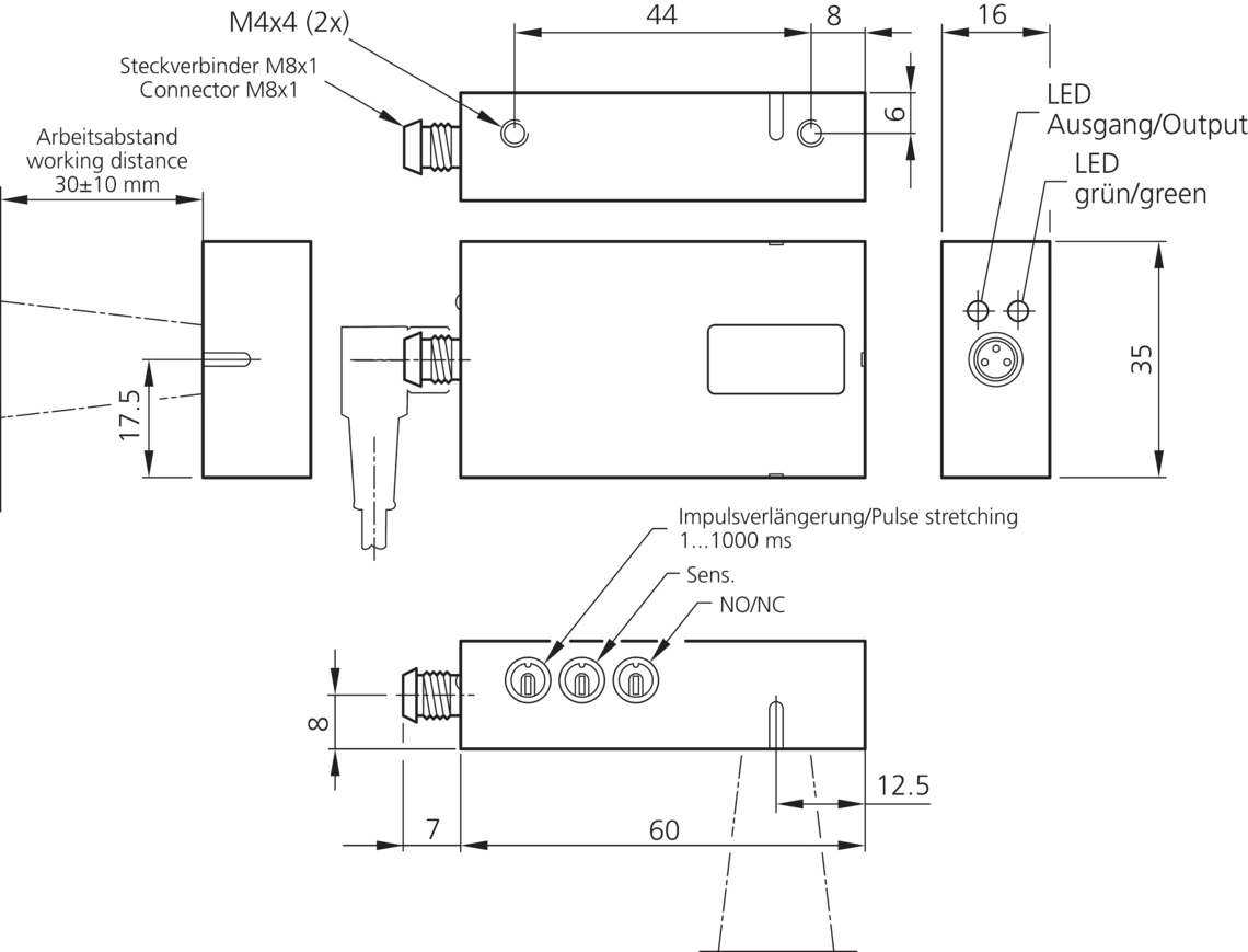
型号: OBS 60 M 30 G3-T3
订货号: 207826
参考面价: 396.00 EUR
光学运动传感器OBS用于运动和运动方向的非接触式近距离检测。传感器的检测范围为20毫米至40毫米。它们可以区分运动和静止,并可选择检测运动方向。最高达5 m/s的静止速度只需通过电位计设置即可。
- 光学运动传感器OBS用于运动和运动方向的非接触式近距离检测。传感器的检测范围为20毫米至40毫米。它们可以区分运动和静止,并可选择检测运动方向。最高达5 m/s的静止速度只需通过电位计设置即可。
OBS 60 M 30 G3-T3 207826基本属性
OBS 60 M 30 G3-T3 207826电气特性
- 工作电压:
- 10 … 30 V DC
- 怠速电流(最大):
- 30 mA
- 绝缘应力电阻:
- 500 V
OBS 60 M 30 G3-T3 207826机械特性
- 外壳材料:
- Aluminium (schwarz, eloxiert)
- 布料:
- PMMA (Fenster)
OBS 60 M 30 G3-T3 207826认证、批准
- 防护等级:
- III, Betrieb an Schutzkleinspannung
OBS 60 M 30 G3-T3 207826一般特征
- 工作原理:
- Optisch
- 评价:
- digital
- 设计:
- Quader
- 特殊功能:
- Zur berührungslosen Vorschubkontrolle, auch bei geringer Geschwindigkeit und bei Drähten geeignet
OBS 60 M 30 G3-T3 207826输出、输入、接口
- 开关输出:
- Gegentakt, 150 mA, NO/NC, umschaltbar
- 电压降(最大):
- 2,5 V
- 脉冲延长:
- 1 … 1000 ms einstellbar
OBS 60 M 30 G3-T3 207826光学数据
- 光源:
- Laser
- 激光等级:
- 1M (EN 60825-1)
- 颜色:
- Infrarot
- 波长:
- 850 nm (Pp < 0,77 mW t = cw-Laser)
- 光点大小:
- Ø 2 mm
- 外部灯光安全:
- 5 kLx
OBS 60 M 30 G3-T3 207826检测范围、测量范围、公差限值
- 切换距离:
- 20 … 40 mm
- 开关滞后(最大):
- Fest 16 % max. 0,1 m/s
OBS 60 M 30 G3-T3 207826显示、操作
- 灵敏度设置:
- Potentiometer
- 陈列:
- LED grün - Betrieb, gelb - Schaltausgang
OBS 60 M 30 G3-T3 207826时间行为
- 零件速度(最大):
- 5 m/s (materialabhängig)
- 响应时间:
- 10 ms
OBS 60 M 30 G3-T3 207826环境条件
- 环境温度操作:
- +5 … +45 °C
- 保护类型:
- IP 67
OBS 60 M 30 G3-T3 207826电气连接
- 联系:
- Stecker, M8, 3-polig
OBS 60 M 30 G3-T3 207826配件
- 连接电缆:
- TK …



