6430 00357644





6430 00357644基本信息
型号: 6430
订货号: 00357644
参考面价: 309.00 EUR
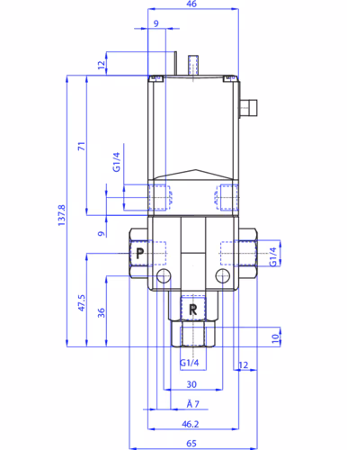
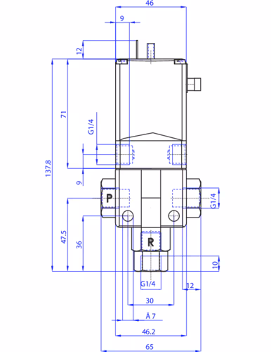
3/2.D.在静止位置打开,工作连接2(B/OUT)后的压力连接1(P/NO),连接3(R/NC)关闭,8.00 mm(5/16英寸)_1.00 bar,8.00 bar,黄铜,内螺纹,G1/4.00 V,24.00 V,PUR(聚氨酯,0.00°C,80.00°C,阀门完整
6430 00357644基本属性
净重:0.987 KG
6430 00357644行动方式
- 流体管路连接编号:
- 3
- 阀门功能开关位置数量:
- 2
- 阀门功能:
- D - in Ruhestellung geöffnet - Druckanschluss 1 (P/NO) nach Arbeitsanschluss 2 (B/OUT), Anschluss 3 (R/NC) geschlossen
- 手动操作:
- Ja
6430 00357644工艺、线路连接
- 电缆连接1型:
- Innengewinde
- 电缆连接1螺纹名称:
- 1/4
- 电缆连接1螺纹型:
- G
6430 00357644紧张
- 电压最小标称电压:
- 24 V
- 最大电压额定电压:
- 24 V
- 电压频率:
- 0 Hz
- 交流电压:
- Nein
- 直流电压:
- Ja
6430 00357644材料
- 阀座材料:
- Messing
- 主阀与介质接触的材料:
- Messing
- 与介质接触的预控材料:
- Messing
6430 00357644压力、温度
- 额定压力最小值:
- -1 bar
- 最大额定压力(液体):
- 8 bar
- 温度介质最小值:
- 0 °C
- 温度介质最大值:
- 80 °C
- 温度环境最小值:
- 0 °C
- 温度环境最大值:
- 55 °C
6430 00357644密封材料
- 阀座密封材料:
- PUR (Polyurethane)
- 外部材料密封:
- NBR (Nitrilkautschuk)
6430 00357644标称宽度(Kv值)
- Kv值(水):
- 0,95 m3/h
- QNn值(气体):
- 1.022 l/min
- 主阀公称尺寸1(P)(mm):
- 8 mm
6430 00357644设备属性
- 类型:
- 6430
- 驱动器类型:
- Klappanker
- 介质分离:
- Ja
- 流:
- über Sitz
- 阀门结构:
- Ventil komplett
- 切换功能:
- on/off
- 真空设计:
- Nein
- 分析执行:
- Nein
- 氧气执行:
- Nein
- 安装长度:
- 65 mm
6430 00357644电气连接
- 电气连接类型:
- Steckerbild Form A nach DIN EN 175301-803
- 包括设备插座:
- nicht enthalten
6430 00357644保护类型
- 防护等级IP(具有适当连接的最大值):
- IP65



