6012 00552288









6012 00552288基本信息
型号: 6012
订货号: 00552288
参考面价: 84.60 EUR
3/2°C关闭在静止位置,压力连接1(P/NC),连接3(R/NO)打开后的工作连接2(A/OUT),1.20 mm(3/64英寸,0.00 bar,10.00 bar(10.00 bar,PA(聚酰胺,班卓琴,24.00 V,24.00伏,FKM(氟橡胶)|-10.00°C,60.00°C,阀门完整
6012 00552288基本属性
净重:0.180 KG
6012 00552288行动方式
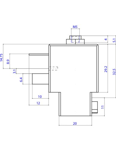
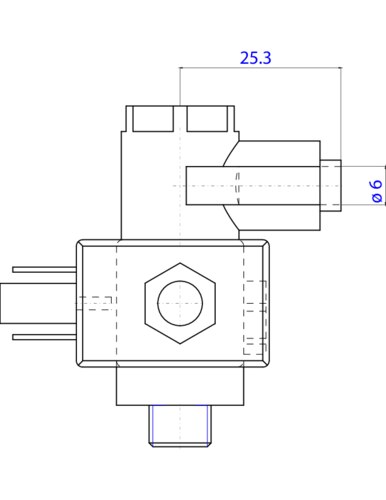
- 流体管路连接编号:
- 3
- 阀门功能开关位置数量:
- 2
- 阀门功能:
- C - in Ruhestellung geschlossen - Druckanschluss 1 (P/NC), Arbeitsanschluss 2 (A/OUT) nach Anschluss 3 (R/NO) offen
- 手动操作:
- Ja
6012 00552288工艺、线路连接
- 电缆连接1型:
- Banjo
- 线路连接1预装配:
- Schlauchsteckverbindung gewinkelt 6 mm
6012 00552288紧张
- 电压最小标称电压:
- 24 V
- 最大电压额定电压:
- 24 V
- 电压频率:
- 50 Hz
- 交流电压:
- Ja
- 直流电压:
- Nein
6012 00552288材料
- 主阀与介质接触的材料:
- PA (Polyamid)
6012 00552288压力、温度
- 额定压力最小值:
- 0 bar
- 最大额定压力(气体):
- 10 bar
- 最大额定压力(液体):
- 10 bar
- 温度介质最小值:
- -10 °C
- 温度介质最大值:
- 60 °C
- 温度环境最小值:
- -10 °C
- 温度环境最大值:
- 40 °C
6012 00552288密封材料
- 阀座密封材料:
- FKM (Fluorkautschuk)
- 外部材料密封:
- NBR (Nitrilkautschuk)
6012 00552288标称宽度(Kv值)
- Kv值(水):
- 0,045 m3/h
- QNn值(气体):
- 48 l/min
- 主阀公称尺寸1(P)(mm):
- 1,2 mm
6012 00552288设备属性
- 类型:
- 6012
- 驱动器类型:
- Hubanker
- 介质分离:
- Nein
- 流:
- unter Sitz
- 阀门结构:
- Ventil komplett
- 切换功能:
- on/off
- 真空设计:
- Nein
- 分析执行:
- Nein
6012 00552288电气连接
- 电气连接类型:
- Steckerbild Form B nach Industriestandard
- 包括设备插座:
- nicht enthalten
6012 00552288保护类型
- 防护等级IP(具有适当连接的最大值):
- IP65













