5404 00295602






5404 00295602基本信息
型号: 5404
订货号: 00295602
参考面价: 165.00 EUR
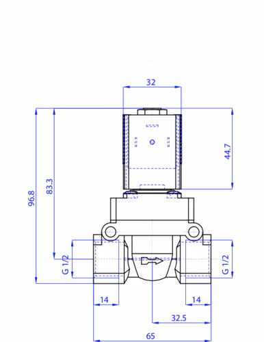
2/2.A.在静止位置关闭压力连接1(P/NC,12.00 mm(7/16英寸,1.00 bar,黄铜,内螺纹,G1/2230.00 V,230.00 V,PTFE(聚四氟乙烯)|10.00°C,100.00°C,完整阀门
5404 00295602基本属性
净重:0.600 KG
5404 00295602行动方式
- 流体管路连接编号:
- 2
- 阀门功能开关位置数量:
- 2
- 阀门功能:
- A - in Ruhestellung geschlossen - Druckanschluss 1 (P/NC)
- 手动操作:
- Nein
5404 00295602工艺、线路连接
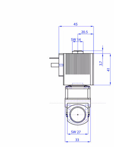
- 电缆连接1型:
- Innengewinde
- 电缆连接1螺纹名称:
- 1/2
- 电缆连接1螺纹型:
- G
5404 00295602紧张
- 电压最小标称电压:
- 230 V
- 最大电压额定电压:
- 230 V
- 电压频率:
- 50/60 Hz
- 交流电压:
- Ja
- 直流电压:
- Nein
5404 00295602材料
- 阀座材料:
- Messing
- 主阀与介质接触的材料:
- Messing
5404 00295602压力、温度
- 额定压力最小值:
- 1 bar
- 最大额定压力(液体):
- 50 bar
- 温度介质最小值:
- -10 °C
- 温度介质最大值:
- 100 °C
- 温度环境最小值:
- -10 °C
- 温度环境最大值:
- 55 °C
5404 00295602密封材料
- 阀座密封材料:
- PTFE (Polytetrafluorethylen)
- 外部材料密封:
- FKM (Fluorkautschuk)
5404 00295602标称宽度(Kv值)
- Kv值(水):
- 2 m3/h
- QNn值(气体):
- 2.200 l/min
- 主阀公称尺寸1(P)(mm):
- 12 mm
5404 00295602设备属性
- 类型:
- 5404
- 驱动器类型:
- Hubanker
- 介质分离:
- Nein
- 流:
- über Sitz
- 阀门结构:
- Ventil komplett
- 切换功能:
- on/off
- 真空设计:
- Nein
- 分析执行:
- Nein
- 氧气执行:
- Nein
- 安装长度:
- 65 mm
5404 00295602电气连接
- 电气连接类型:
- Steckerbild Form A nach DIN EN 175301-803
- 包括设备插座:
- nicht enthalten
5404 00295602保护类型
- 防护等级IP(具有适当连接的最大值):
- IP65
5404 00295602线圈(芯)
- 踢落线圈:
- Energiespar-Technologie möglich



