5282 00134546









5282 00134546基本信息
型号: 5282
订货号: 00134546
参考面价: 735.00 EUR
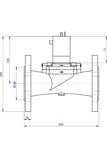
2/2.A.,在静止位置关闭,压力连接1(P/NC40.00 mm(1 1/2 Inch0.20 bar10.00 bar),灰铸铁,法兰4.00 V24.00 VNBR(丁腈橡胶0.00°C80.00°C,阀门完整
5282 00134546基本属性
净重:7.270 KG
5282 00134546行动方式
- 流体管路连接编号:
- 2
- 阀门功能开关位置数量:
- 2
- 阀门功能:
- A - in Ruhestellung geschlossen - Druckanschluss 1 (P/NC)
- 手动操作:
- Ja
5282 00134546工艺、线路连接
- 电缆连接1型:
- Flansch
- 线路连接1法兰:
- DIN EN 1092-1
5282 00134546紧张
- 电压最小标称电压:
- 24 V
- 最大电压额定电压:
- 24 V
- 交流电压:
- Nein
- 直流电压:
- Ja
5282 00134546材料
- 主阀与介质接触的材料:
- Grauguss
- 与介质接触的预控材料:
- Messing
5282 00134546压力、温度
- 额定压力最小值:
- 0,2 bar
- 最大额定压力(液体):
- 10 bar
- 温度介质最小值:
- 0 °C
- 温度介质最大值:
- 80 °C
- 温度环境最大值:
- 55 °C
5282 00134546密封材料
- 阀座密封材料:
- NBR (Nitrilkautschuk)
- 外部材料密封:
- NBR (Nitrilkautschuk)
5282 00134546标称宽度(Kv值)
- Kv值(水):
- 20 m3/h
- QNn值(气体):
- 22.000 l/min
- 预控标称宽度(mm):
- 2 mm
- 主阀公称尺寸1(P)(mm):
- 40 mm
5282 00134546设备属性
- 类型:
- 5282
- 驱动器类型:
- Klappanker
- 介质分离:
- Ja
- 阀门结构:
- Ventil komplett
- 切换功能:
- on/off
- 真空设计:
- Nein
- 分析执行:
- Nein
- 氧气执行:
- Nein
- 安装长度:
- 200 mm
5282 00134546电气连接
- 电气连接类型:
- Steckerbild Form A nach DIN EN 175301-803
5282 00134546保护类型
- 防护等级IP(具有适当连接的最大值):
- IP65



