2873 00234311








2873 00234311基本信息
型号: 2873
订货号: 00234311
参考面价: 217.00 EUR
2/2.A.,在静止位置关闭,压力连接1(P/NC,直接作用,2.00 mm,FKM(氟橡胶,不锈钢,内螺纹,G,24,00 V,24,0 V,1.0 0 bar,8,00 bar,10,00°C,90,00°C
2873 00234311基本属性
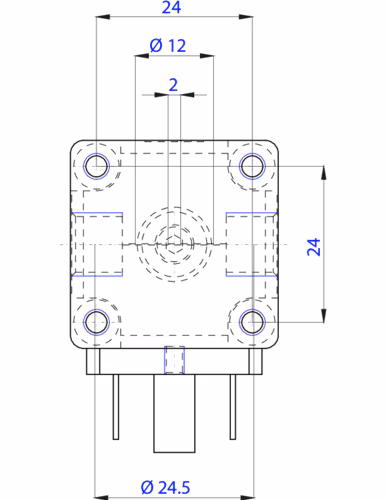
净重:0.300 KG
2873 00234311行动方式
- 流体管路连接编号:
- 2
- 阀门功能开关位置数量:
- 2
- 阀门功能:
- A - in Ruhestellung geschlossen - Druckanschluss 1 (P/NC)
2873 00234311介质β校准
- 安装位置:
- beliebig
- 适用于液体介质:
- Nein
- 适用于气体介质:
- Ja
2873 00234311工艺、线路连接
- 电缆连接1型:
- Innengewinde
- 电缆连接1螺纹名称:
- 1/8
- 电缆连接1螺纹型:
- G
2873 00234311紧张
- 电压最小标称电压:
- 24 V
- 最大电压额定电压:
- 24 V
- 交流电压:
- Nein
- 直流电压:
- Ja
2873 00234311材料
- 主阀与介质接触的材料:
- Edelstahl
2873 00234311压力、温度
- 额定压力最小值:
- -1 bar
- 最大额定压力:
- 8 bar
- 最大压差:
- 4 bar
- 温度介质最小值:
- -10 °C
- 温度介质最大值:
- 90 °C
- 温度环境最小值:
- -10 °C
- 温度环境最大值:
- 55 °C
2873 00234311密封材料
- 阀座密封材料:
- FKM (Fluorkautschuk)
- 外部材料密封:
- FKM (Fluorkautschuk)
2873 00234311标称宽度(Kv值)
- Kv值(水):
- 0,1 m3/h
- QNn值(气体):
- 108 l/min
- 主阀公称尺寸1(P)(mm):
- 2 mm
2873 00234311设备属性
- 类型:
- 2873
- 驱动器类型:
- Hubanker
- 介质分离:
- Nein
- 流:
- unter Sitz
- 切换功能:
- stetig
- PWM频率最小值。:
- 1.100 Hz
- PWM频率最大值。:
- 1.200 Hz
- 真空设计:
- Nein
- 分析执行:
- Nein
- 氧气执行:
- Nein
- 控制范围:
- 1:200
2873 00234311电气连接
- 电气连接类型:
- Steckerbild Form A nach DIN EN 175301-803
- 包括设备插座:
- nicht enthalten
2873 00234311保护类型
- 防护等级IP(具有适当连接的最大值):
- IP65



