2518 00314839





2518 00314839基本信息
型号: 2518
订货号: 00314839
参考面价: 15.50 EUR
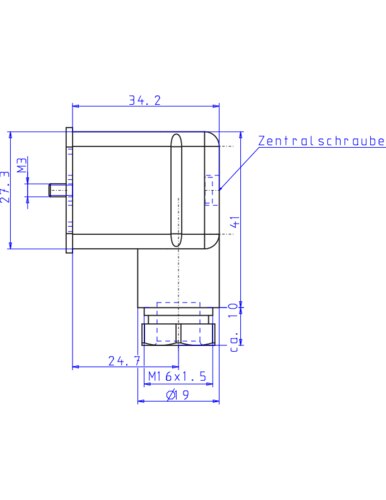
符合DIN EN 175301-803的A类
2518 00314839基本属性
净重:0.030 KG
2518 00314839紧张
- 电压最小标称电压:
- 200 V
- 最大电压额定电压:
- 240 V
- 交流电压:
- Ja
- 直流电压:
- Ja
2518 00314839压力、温度
- 温度环境最小值:
- -30 °C
- 温度环境最大值:
- 90 °C
2518 00314839密封材料
- 扁平密封材料:
- NBR (Nitrilkautschuk)
2518 00314839授权
- 批准类型:
- UL
- 授权类型:
- cURus Recognized
2518 00314839设备属性
- 类型:
- 2518
- 装置插头变阻器电路:
- Ja
- 设备插头电路整流器:
- Ja
2518 00314839电气连接
- 插头图像:
- Form A nach DIN EN 175301-803
- 插头固定螺钉:
- Edelstahl
2518 00314839保护类型
- 防护等级IP(具有适当连接的最大值):
- IP65/67



