6281 00221933





6281 00221933基本信息
型号: 6281
订货号: 00221933
参考面价: 165.00 EUR
2/2.B,在静止位置打开,压力连接1(P/NO,13.00 mm(1/2英寸,0.20 bar,16.00 bar,黄铜,内螺纹,G3/4,230.00 V,230.00伏,NBR(丁腈橡胶)|10.00°C,80.00°C,阀门完整
6281 00221933基本属性
净重:0.573 KG
6281 00221933行动方式
- 流体管路连接编号:
- 2
- 阀门功能开关位置数量:
- 2
- 阀门功能:
- B - in Ruhestellung geöffnet - Druckanschluss 1 (P/NO)
- 手动操作:
- Nein
6281 00221933工艺、线路连接
- 电缆连接1型:
- Innengewinde
- 电缆连接1螺纹名称:
- 3/4
- 电缆连接1螺纹型:
- G
6281 00221933紧张
- 电压最小标称电压:
- 230 V
- 最大电压额定电压:
- 230 V
- 电压频率:
- 50 Hz
- 交流电压:
- Ja
- 直流电压:
- Nein
6281 00221933材料
- 主阀与介质接触的材料:
- Messing
6281 00221933压力、温度
- 额定压力最小值:
- 0,2 bar
- 最大额定压力(液体):
- 16 bar
- 额定压力(DIN EN 1333):
- PN 16
- 温度介质最小值:
- -10 °C
- 温度介质最大值:
- 80 °C
- 温度环境最大值:
- 55 °C
6281 00221933密封材料
- 阀座密封材料:
- NBR (Nitrilkautschuk)
- 外部材料密封:
- NBR (Nitrilkautschuk)
6281 00221933标称宽度(Kv值)
- Kv值(水):
- 3,8 m3/h
- QNn值(气体):
- 4.100 l/min
- 预控标称宽度(mm):
- 1,2 mm
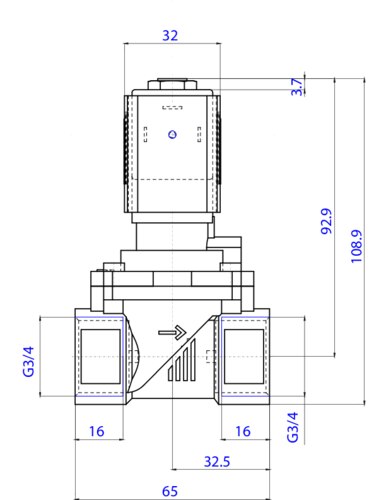
- 主阀公称尺寸1(P)(mm):
- 13 mm
6281 00221933设备属性
- 类型:
- 6281
- 一代:
- EV
- 驱动器类型:
- Hubanker
- 介质分离:
- Nein
- 流:
- über Sitz
- 阀门结构:
- Ventil komplett
- 切换功能:
- on/off
- 真空设计:
- Nein
- 分析执行:
- Nein
- 氧气执行:
- Nein
- 安装长度:
- 65 mm
6281 00221933电气连接
- 电气连接类型:
- Steckerbild Form A nach DIN EN 175301-803
- 包括设备插座:
- nicht enthalten
6281 00221933保护类型
- 防护等级IP(具有适当连接的最大值):
- IP65
6281 00221933线圈(芯)
- 踢落线圈:
- Energiespar-Technologie möglich













