SLG25S-050SER21A00 1129253









SLG25S-050SER21A00 1129253基本信息
型号: SLG25S-050SER21A00
订货号: 1129253
参考面价: 701.00 EUR
SLG25S-050SER21A00 1129253基本属性
净重:0.816 KG
毛重:0.816 KG
长度:170 mm
宽度:105 mm
高度:680 mm
SLG25S-050SER21A00 1129253特征
- 包含在交付中:
- 1 × Sender
- 1 × Empfänger
- 1 × Quickstart-Anleitung
- 1 x Sicherheitshinweis
- 工作原理:
- Sender/Empfänger
- 切换距离:
- 极限值:
- 70 mm ... 2.150 mm
- 平行梁(推荐):
- 70 mm ... 1.500 mm
- 3 x横梁(推荐):
- 160 mm ... 1.500 mm
- 失明:
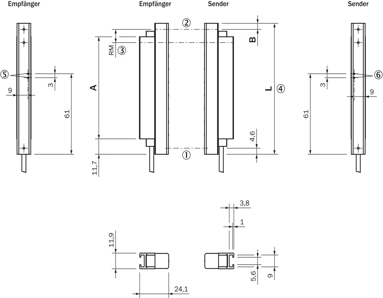
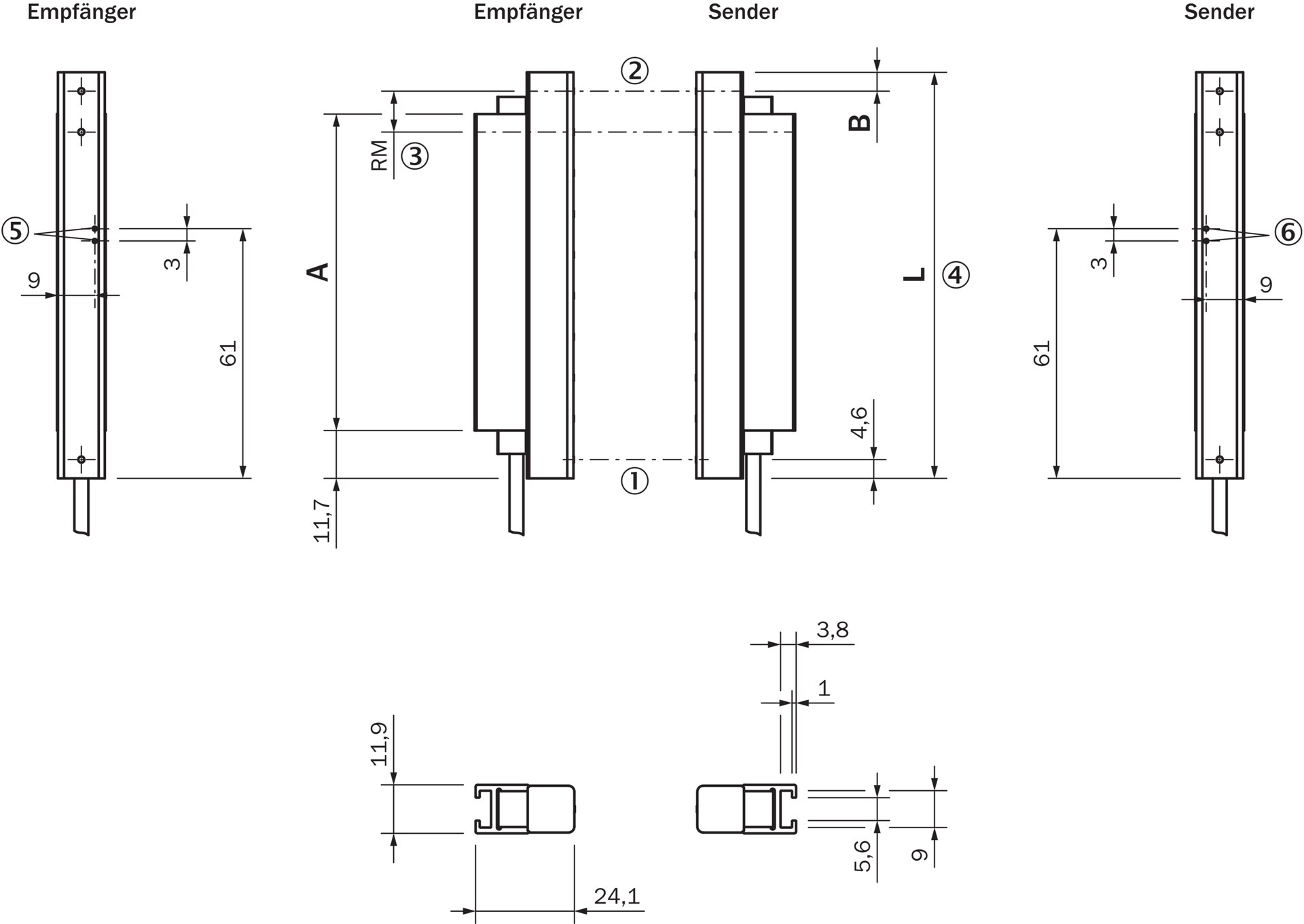
- 距离1。梁到壳体前缘(连接侧):
- 4,6 mm
- 最后一根梁到外壳前缘的距离(顶部):
- 19,6 mm 1)
- 监控高度:
- 500 mm
- 光束距离:
- 25 mm
- 光学光输出:
- Slim
- 检测能力:
- 最小对象大小(MDO),平行梁:
- 30 mm 2)
- 最小物体尺寸(MDO),3 x横梁:
- ≥ 16,5 mm 2)
- 出厂设置:
- 波束功能:
- Parallelstrahl
- 引脚2(MF):
- Teach-in Eingang
- 引脚4(OUT):
- Objektdetektion Ausgang = "HIGH"
- IO链路(过程数据):
- QL/Qint Status, System status, Beam status
- 示教(默认):
- Auto-Teach-in
- 背景:
- 数字形式:
- Zur Einstellung von Sensorparameter und Smart Task Funktionen
- 传输光束:
- 发光体:
- LED
- 灯的类型:
- Infrarotlicht
- 光束计数:
- 20
- LED关键数字:
- 引用标准:
- EN 62471:2008-09 | IEC 62471:2006, modifiziert
- LED风险组标签:
- Freie Gruppe
- 波长:
- 850 nm
- 中等使用寿命:
- Mittlere Lebensdauer: 100.000 h bei TU = +25 °C
- 时间数据:
- 初始化时间:
- 0,4 s ... 2 s 3)
- 及时授课:
- 0,75 s ... 50 s 3)
- 扫描时间,平行光束:
- 1,3 ms
- 扫描时间,横梁:
- 2,6 ms
- 再现性,平行光束:
- 1,3 ms
- 再现性,横梁:
- 4 ms
- 最小停留时间,平行光束:
- 2,6 ms
- 最小撑杆长度,横梁:
- 5,3 ms
- 平行光束的最大响应时间:
- 4 ms
- 最大响应时间,横梁:
- 8,2 ms
- 同步类型:
- Optisch (2 Strahlen)
SLG25S-050SER21A00 1129253通信接口
- 数字形式:
- ✔ , V1.1
- 数据传输速率:
- COM3 (230,4 kBaud)
- 最大线路长度:
- 20 m
- 循环时间:
- 2,3 ms
- 过程数据长度:
- 32 Byte
SLG25S-050SER21A00 1129253电气数据
- 电源电压UB:
- DC 18 V DC ... 30 V DC 1)
- 余纹波:
- ≤ 1,3 Vss
- 功耗:
- 变送器:
- ≤ 36,5 mA 2)
- 收件人:
- ≤ 51 mA 2)
- 数字输出:
- 数字:
- 2
- 种:
- Gegentakt: PNP/NPN
- 信号电压输出高/低:
- UB-3 V/<3 V
- 输出负载,电感:
- 1 H
- 输出负载,电容:
- 100 nF
- 输出电流Imax。:
- 100 mA
- 输出电流,其余:
- < 0,5 mA
- 数字输入:
- 数字:
- 1
- 信号电压输入高/低:
- >15 V/<5 V
- 防护等级:
- III 3)
- UL文件号。:
- NRKH.E181493 & NRKH7.E181493
- 保护电路:
- UV-Anschlüsse verpolsicher
- Ausgang Q kurzschlussgeschützt
- Ausgänge überstrom- und kurzschlussfest
SLG25S-050SER21A00 1129253机械数据
- 尺寸(宽x高x高):
- 宽度:
- 11,8 mm
- 身高:
- 499,2 mm
- 深度:
- 24,1 mm
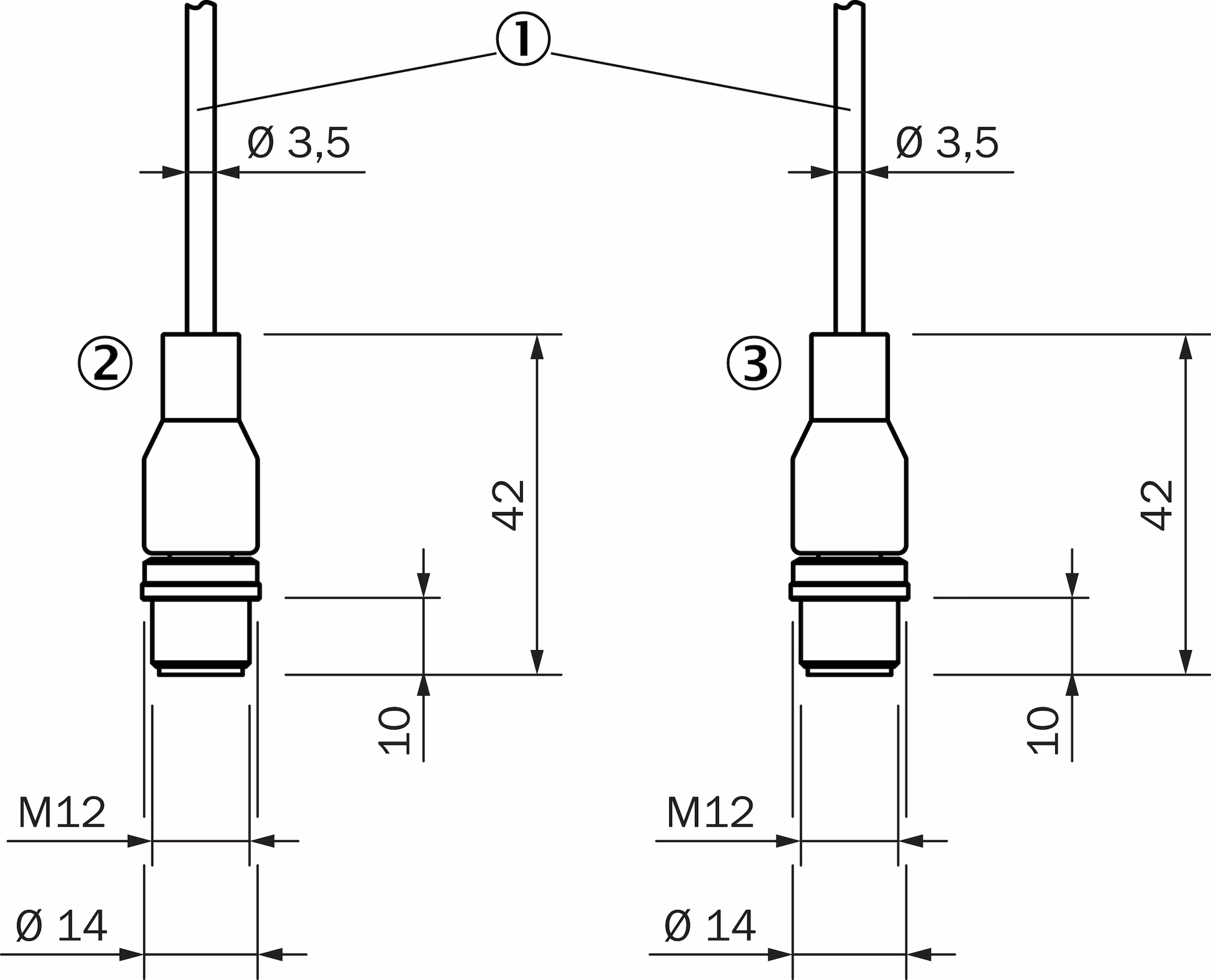
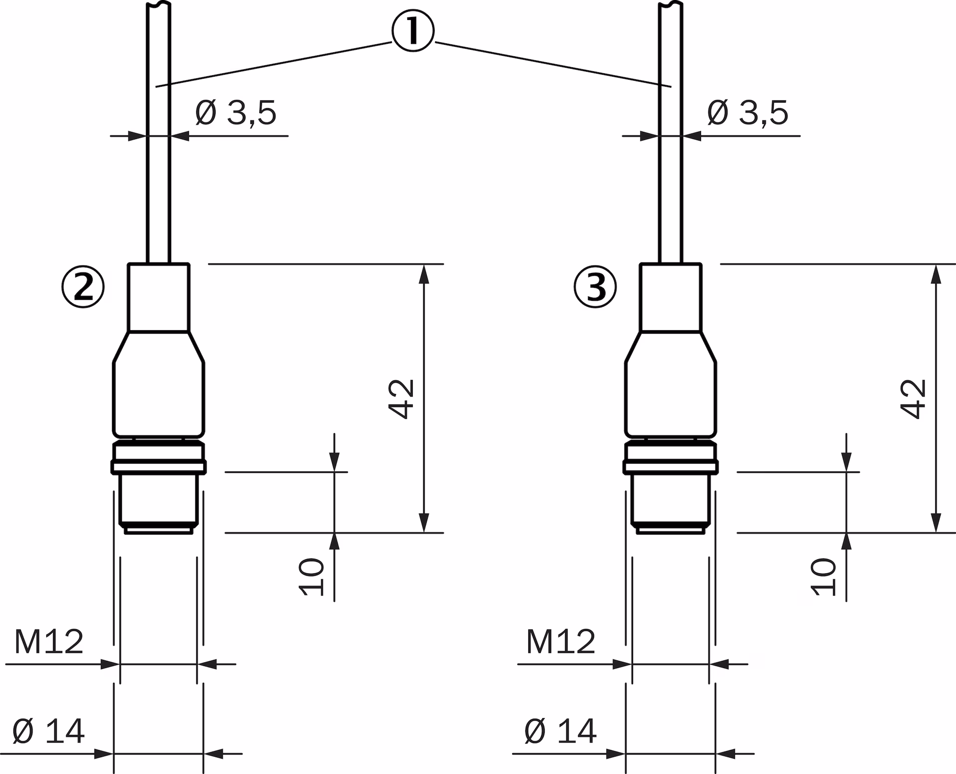
- 连接类型:
- Leitung mit Stecker M12, 4-polig
- 连接类型详细信息:
- 线路直径:
- 3,4 mm
- 导线横截面:
- 0,14 mm²
- 线路长度:
- 150 mm
- 导管材料:
- PVC
- 布料:
- 住房:
- Aluminium
- :
- Kunststoff
- 挡风玻璃:
- PMMA
- 重量:
- 1.060 g
- 浪涌保护(必需):
- 1
SLG25S-050SER21A00 1129253环境数据
- 保护类型:
- IP65, IP67 1)
- 环境温度操作:
- –25 °C ... +55 °C
- 环境温度轴承:
- –25 °C ... +70 °C
- 对外界光线不敏感:
- Indirekt: 50.000 lx 2)
- 抗冲击性:
- 10 g, 16 ms, DIN EN 60068-2-27
- 抗振动性:
- 10-150 Hz 0.5 mm, IEC 60068-2-6
- 湿度:
- ≤ 96 %, relative Luftfeuchte (kein Beschlag)
- 电磁兼容性(EMC):
- EN 61000-6-2, EN 61000-6-4
SLG25S-050SER21A00 1129253智能任务
- 智能任务名称:
- Basis-Logik
- 逻辑功能:
- Direkt
- UND
- ODER
- 定时器函数:
- Deaktiviert
- Einschaltverzögerung
- Ausschaltverzögerung
- Ein- und Ausschaltverzögerung
- Impuls (One Shot)
- 开关信号:
- 开关信号QL1:
- Schaltausgang
- 开关信号QL2:
- Schaltausgang, Externer Eingang
SLG25S-050SER21A00 1129253诊断
- 诊断功能:
- 设备状况:
- Hardwarefehler, Temperaturwarnung, Betriebsstundenwarnung
- 通讯状态:
- Pin-Kurzschlussfehler, Ungültige Prozessdaten
- 灯光信号状况:
- Teach-Fehler, Synchronisationsfehler, quality-of-run Alarm
- 报警输出:
- Ja
SLG25S-050SER21A00 1129253分类
- ECLASS 5.0:
- 27270910
- ECLASS 5.1.4:
- 27270910
- ECLASS 6.0:
- 27270910
- ECLASS 6.2:
- 27270910
- ECLASS 7.0:
- 27270910
- ECLASS 8.0:
- 27270910
- ECLASS 8.1:
- 27270910
- ECLASS 9.0:
- 27270910
- ECLASS 10.0:
- 27270910
- ECLASS 11.0:
- 27270910
- ECLASS 12.0:
- 27270910
- ETIM 5.0:
- EC002549
- ETIM 6.0:
- EC002549
- ETIM 7.0:
- EC002549
- ETIM 8.0:
- EC002549
- UNSPSC 16.0901:
- 39121528















