ODG 30 P3K-TSSL 201167




ODG 30 P3K-TSSL 201167基本信息
型号: ODG 30 P3K-TSSL
订货号: 201167
参考面价: 340.00 EUR
特定设计的叉形光栅完成了disoric的全面范围。差分叉光栅甚至可以检测出最小的缓解差异(漫反射),以检测出晶莹剔透的薄膜。
- 特定设计的叉形光栅完成了disoric的全面范围。差分叉光栅甚至可以检测出最小的缓解差异(漫反射),以检测出晶莹剔透的薄膜。
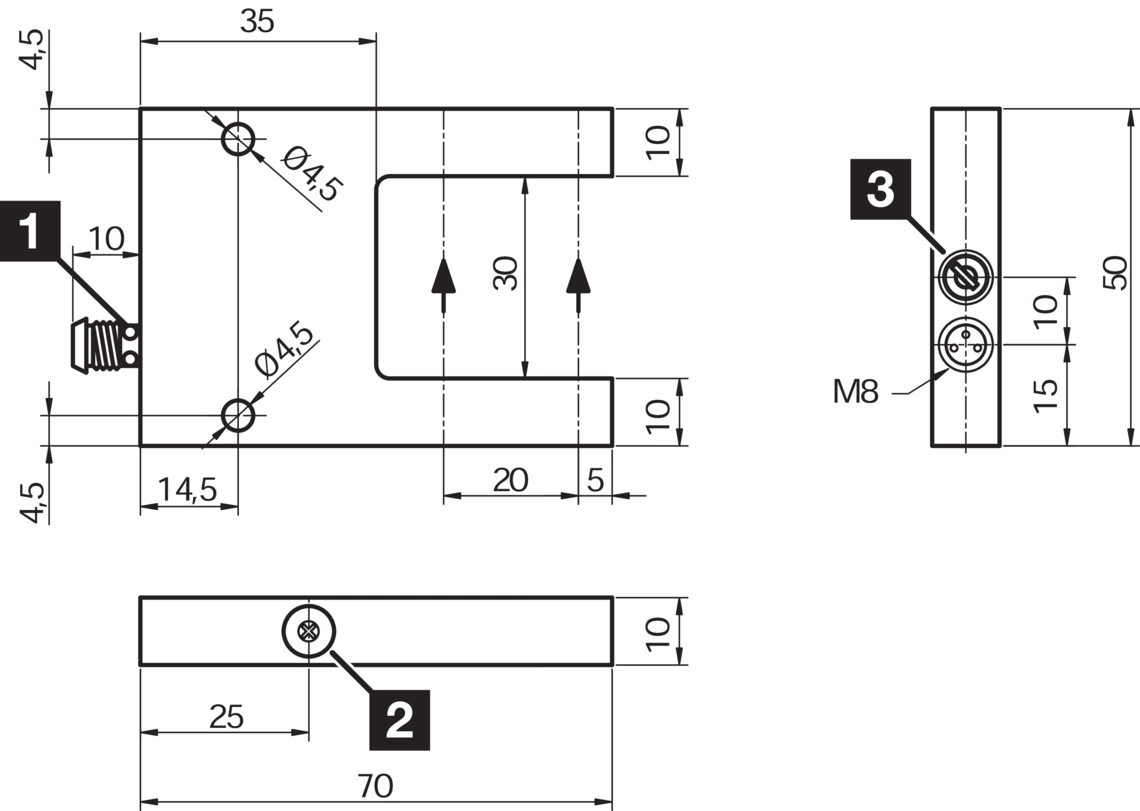
ODG 30 P3K-TSSL 201167基本属性
长度:70 mm
宽度:10 mm
高度:50 mm
ODG 30 P3K-TSSL 201167电气特性
- 工作电压:
- 12 … 35 V DC
- 怠速电流(最大):
- 35 mA
- 绝缘应力电阻:
- 500 V
ODG 30 P3K-TSSL 201167机械特性
- 货叉宽度:
- 30 mm
- 大腿内侧长度:
- 35 mm
- 外壳尺寸:
- 50 x 70 x 10 mm
- 外壳长度:
- 70 mm
- 外壳高度:
- 50 mm
- 外壳宽度:
- 10 mm
- 外壳材料:
- Aluminium (schwarz, eloxiert)
ODG 30 P3K-TSSL 201167认证、批准
- 防护等级:
- III, Betrieb an Schutzkleinspannung
ODG 30 P3K-TSSL 201167一般特征
- 工作原理:
- Optisch
- 评价:
- digital, differenz
- 设计:
- Gabel
ODG 30 P3K-TSSL 201167输出、输入、接口
- 开关输出:
- pnp, 200 mA, NO/NC, umschaltbar
- 电压降(最大):
- 2,5 V
ODG 30 P3K-TSSL 201167光学数据
- 光源:
- LED
- 颜色:
- Infrarot
- 调制:
- ungetaktet
- 外部灯光安全:
- 5 kLx
ODG 30 P3K-TSSL 201167检测范围、测量范围、公差限值
- 决议:
- Ø 0,07 mm
- 开关滞后(最大):
- 0,2 mm
- 再现性:
- 0,01 mm
ODG 30 P3K-TSSL 201167显示、操作
- 灵敏度设置:
- Potentiometer
ODG 30 P3K-TSSL 201167时间行为
- 开关频率:
- 5000 Hz
ODG 30 P3K-TSSL 201167环境条件
- 环境温度操作:
- 0 … +60 °C
- 保护类型:
- IP 67
ODG 30 P3K-TSSL 201167电气连接
- 联系:
- Stecker, M8, 3-polig
ODG 30 P3K-TSSL 201167配件
- 连接电缆:
- TK …















