MLG10A-0440B10501 1214330







MLG10A-0440B10501 1214330基本信息
型号: MLG10A-0440B10501
订货号: 1214330
参考面价: 1687.00 EUR
MLG10A-0440B10501 1214330基本属性
净重:0.980 KG
毛重:0.980 KG
长度:180 mm
宽度:110 mm
高度:690 mm
MLG10A-0440B10501 1214330特征
- 设备设计:
- Pro - Erweiterte Funktionalität
- 传感器原理:
- Sender/Empfänger
- 最小可探测物体(MDO):
- 10 mm, 14 mm 1) 2) 3)
- 光束距离:
- 10 mm
- 同步类型:
- Leitung
- 光束计数:
- 45
- 监控高度:
- 440 mm
- 软件功能(默认):
- QA1:
- Anzahl unterbrochener Strahlen/NBB
- QA2:
- Höhenmessung (letzter Strahl)/LBB
- Q1:
- Anwesenheitskontrolle
- Q2和IN:
- Teach Eingang
- 教:
- Standard Modus
- 操作模式:
- 标准:
- ✔
- 透明的:
- ✔
- 防尘和防晒:
- ✔
- 作用:
- 横梁:
- ✔
- 波束抑制:
- ✔
- 测量精度高:
- ✔
- 应用:
- 开关输出:
- Objekterkennung/Objektbreite
- Objektwiedererkennung
- Höhenklassifizierung
- Locherkennung/Lochgröße
- Außenmaß/Innenmaß
- Objektposition
- Lochposition
- Zonendefinition
- 数据接口:
- Objekterkennung
- Locherkennung
- Objekthöhenmessung
- Messung des Außenmaßes
- Messung des Innenmaßes
- Messung der Objektposition
- Messung der Lochposition
- 包含在交付中:
- 1 × Sender
- 1 × Empfänger
- 4/6 × QuickFix-Halterungen (ab 2 m Überwachungshöhe 6 QuickFix-Halterungen)
- 1 × Quickstart-Anleitung
MLG10A-0440B10501 1214330机械/电气
- 发光体:
- LED, Infrarotlicht
- 波长:
- 850 nm
- 电源电压Uv:
- DC 19,2 V ... 28,8 V 1)
- 电流消耗,变送器:
- 57,25 mA 2)
- 电流消耗,接收器:
- 129 mA 2)
- 余纹波:
- < 5 Vss
- 输出电流Imax。:
- 100 mA
- 输出负载,电容:
- 100 nF
- 输出负载,电感:
- 1 H
- 初始化时间:
- < 1 s
- 开关输出:
- Gegentakt: PNP/NPN
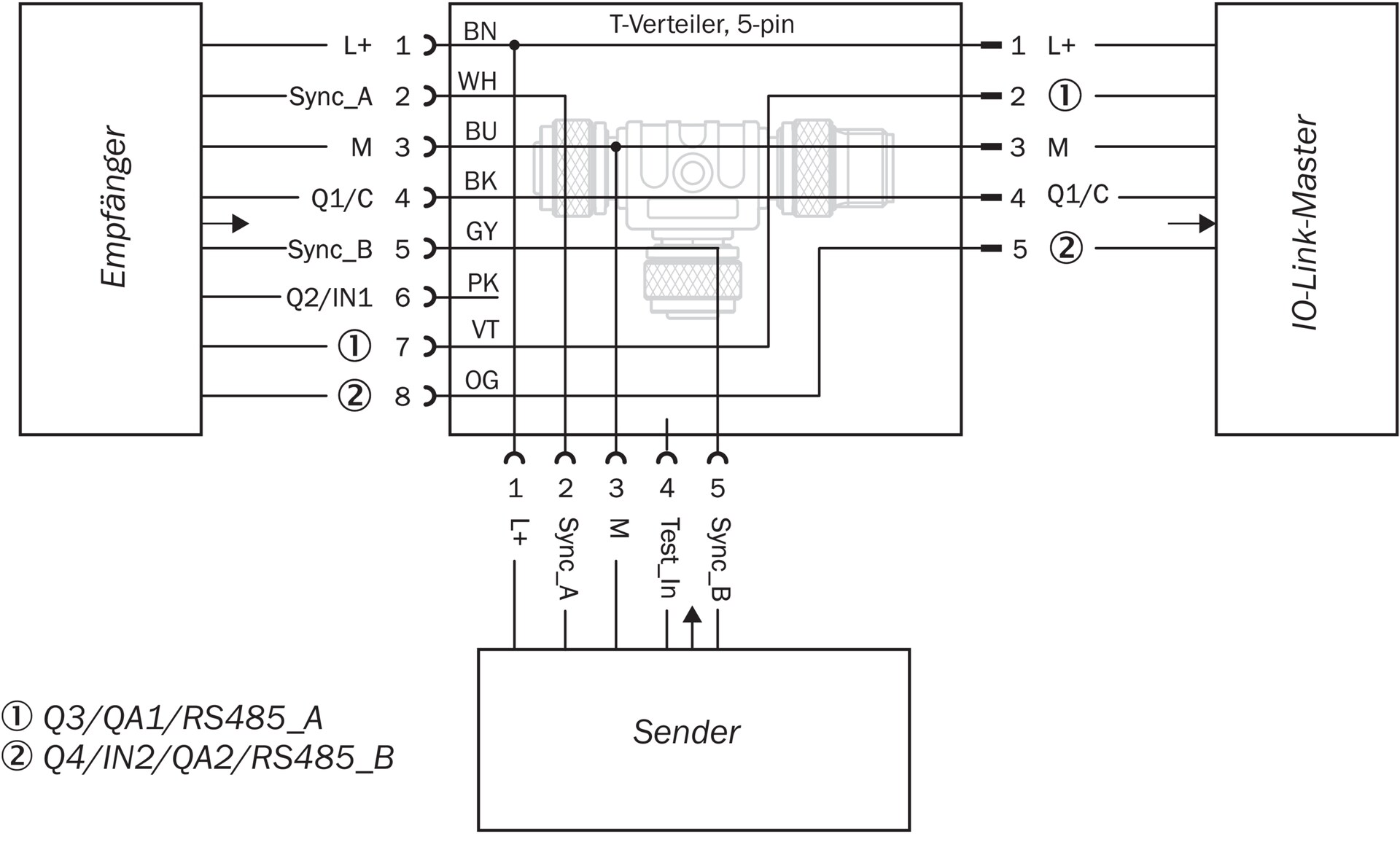
- 连接类型:
- Stecker M12, 5-polig, 0,22 m
- Stecker M12, 8-polig, 0,27 m
- Dose M12, 4-polig, D-codiert, 0,19 m
- 外壳材料:
- Aluminium
- 陈列:
- LED
- 保护类型:
- IP65, IP67
- 3)
- 保护电路:
- UV-Anschlüsse verpolsicher
- Ausgang Q kurzschlussgeschützt
- Störimpulsunterdrückung
- 防护等级:
- III
- 重量:
- 1,149 kg
- 挡风玻璃:
- PMMA
- 选项:
- Keine
- UL文件号。:
- NRKH.E181493
MLG10A-0440B10501 1214330表演
- 最大范围:
- 7 m 1)
- 最小范围:
- ≥ 0 m
- 工作范围:
- 5 m
- 响应时间:
- 4,8 ms 2)
MLG10A-0440B10501 1214330通信接口
- 数字形式:
- ✔ , IO-Link V1.1
- 数据传输速率:
- 230,4 kbit/s (COM3)
- 最大线路长度:
- 20 m
- 循环时间:
- 2,3 ms
- 供应商ID:
- 26
- 设备ID HEX:
- 800068
- 设备ID DEZ:
- 8388712
- 过程数据长度:
- 32 Byte (TYPE_2_V) 1)
- 模拟:
- ✔ , Strom
- 输入/输出:
- 2 x Analog + 2 x Q (IO-Link)
- 模拟输出(电流):
- 4 mA ... 20 mA
- 模拟输出:
- QA1, QA2
- 数字:
- 2
- 种:
- Stromausgang
- 电:
- 4 mA ... 20 mA
- 数字输出:
- Q1, Q2
- 数字:
- 2
- 数字输入:
- In1
- 数字:
- 1
MLG10A-0440B10501 1214330环境数据
- 抗冲击性:
- Dauerschocks 10 g, 16 ms, 1000 Schocks
- Einzelschocks 15 g, 11 ms, 3 je Achse
- 抗振动性:
- Schwingen sinusförmig 10-150 Hz 5 g
- EMC:
- EN 60947-5-2
- 对外界光线不敏感:
- Direkt: 150.000 lx 1)
- Indirekt: 200.000 lx 2)
- 环境温度操作:
- –30 °C ... +55 °C
- 环境温度轴承:
- –40 °C ... +70 °C
MLG10A-0440B10501 1214330智能任务
- 智能任务名称:
- Basis-Logik
MLG10A-0440B10501 1214330分类
- ECLASS 5.0:
- 27270910
- ECLASS 5.1.4:
- 27270910
- ECLASS 6.0:
- 27270910
- ECLASS 6.2:
- 27270910
- ECLASS 7.0:
- 27270910
- ECLASS 8.0:
- 27270910
- ECLASS 8.1:
- 27270910
- ECLASS 9.0:
- 27270910
- ECLASS 10.0:
- 27270910
- ECLASS 11.0:
- 27270910
- ECLASS 12.0:
- 27270910
- ETIM 5.0:
- EC002549
- ETIM 6.0:
- EC002549
- ETIM 7.0:
- EC002549
- ETIM 8.0:
- EC002549
- UNSPSC 16.0901:
- 39121528















