zws-35/CE/QS





zws-35/CE/QS基本信息
型号: zws-35/CE/QS
zws超声波接近开关
zws-35/CE/QS基本属性
净重:0.011 KG
zws-35/CE/QS订单名称
- 测量范围:
- 64 - 600 mm
- 设计:
- quaderförmig
- 操作模式/基本功能:
- Näherungsschalter/Reflexionstaster
- Reflexionsschranke
- Fensterbetrieb
- 特殊功能:
- kleine quaderförmige Bauform
- UL Listed
zws-35/CE/QS超声波专用
- 测量方法:
- Echo-Laufzeitmessung
- 超声波频率:
- 400 kHz
- 失明:
- 64 mm
- 工作范围:
- 350 mm
- 限制触摸范围:
- 600 mm
- 决议:
- 0,20 mm
- 重复精度:
- ± 0,15 %
- 精确:
- ± 1 % (Temperaturdrift intern kompensiert)
zws-35/CE/QS电气数据
- 工作电压UB:
- 20 V bis 30 V DC, verpolfest
- 余纹波:
- ± 10 %
- 空闲电流消耗:
- ≤ 25 mA
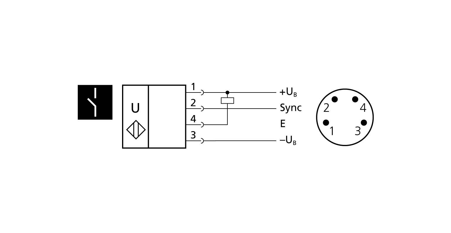
- 连接类型:
- 4-poliger M8-Rundsteckverbinder
zws-35/CE/QS输出
- 输出1:
- Schaltausgang
- npn: Imax = 200 mA (-UB+2V)
- Schließer/Öffner einstellbar, kurzschlussfest
- 开关迟滞:
- 5 mm
- 开关频率:
- 15 Hz
- 响应延迟:
- 48 ms
- 待机延迟:
- < 300 ms
zws-35/CE/QS输入
- 输入1:
- Synchronisations-Eingang
zws-35/CE/QS
zws-35/CE/QS住房
- 布料:
- ABS
- 超音波转换器:
- Polyurethanschaum, Epoxidharz mit Glasanteilen
- 防护等级符合EN 60529:
- IP 67
- 工作温度:
- -25°C bis +70°C
- 储存温度:
- -40°C bis +85°C
- 重量:
- 11 g
zws-35/CE/QS设备/特点
- 温度补偿:
- ja
- 调整要素:
- 1 Taster
- 设置:
- Teach-in über Taster
- 同步:
- ja
- 多路复用操作:
- nein
- 显示元素:
- 1 x LED grün: Betrieb, 1 x LED gelb: Schaltzustand
- 特殊功能:
- kleine quaderförmige Bauform
- UL Listed
zws-35/CE/QS配件
- 可用配件:
- KST4A-2/M8
- KST4A-5/M8
- KST4G-2/M8
- KST4G-5/M8
- MW-ZWS 1
- SyncBox2















